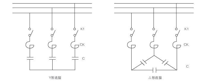
电容专用串联电抗器您的位置:首页 > 产品中心> 电容专用串联电抗器

电容专用串联电抗器

  • THM5D-100R